找回密码
 立即注册

QQ登录

只需一步,快速开始

查看: 5147|回复: 0

乐清宏基2420不开机维修

  [复制链接]
发表于 2014-3-27 16:30:46 | 显示全部楼层 |阅读模式
机型:宏基TM2420
故障:不开机
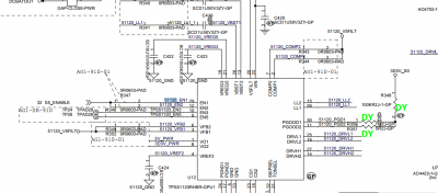
拆开机器没有发现进水腐蚀和明显烧坏的地方,插上电源有待机0.002,感觉这个电流是不正常的,量了下3、5V果然没有,这个主板待机芯片是TPS51120

51120.png

量22脚供电正常,直接量了下4脚的REF,2V正常,再量PG没有出来,发现EN2电压只有0.4V,与EN1相连的为什么EN1有5V这里只有0.4V呢,去主板上随便找了下也没找到之间有什么元器件,算了就飞线吧,飞好后插电待机电流0.09,有明显的上升,量了下3、5V出来了,开机,不触发,量开关有跳变,刷BIOS故障依旧,EC收到跳变信号,也发出了PMBTN,南桥未做出动作,又量南桥的条件正常,南桥换了之后好了。
总结:这个主板因为51120条件不足没有出待机电压,南桥坏不触发。。。
您需要登录后才可以回帖 登录 | 立即注册

本版积分规则

QQ|Archiver|手机版|小黑屋|乐清九晨电脑维修 ( 浙ICP备14014299号|33038202002653号 )

浙公网安备 33038202002653号

GMT+8, 2026-3-9 23:31 , Processed in 0.078125 second(s), 31 queries .

Powered by Discuz! X3.5

© 2001-2025 Discuz! Team.

快速回复 返回顶部 返回列表