找回密码
 立即注册

QQ登录

只需一步,快速开始

查看: 5019|回复: 0

联想AIO一体机不通电维修 DAOQUAMB6D0

  [复制链接]
发表于 2014-8-25 16:39:45 | 显示全部楼层 |阅读模式
同行送来一台联想 AIO 一体机,描述故障为不通电,接收单写好后  拆机维修

拆开机器发现主板没有进水和明显烧坏痕迹
IMG_1608.JPG

IMG_1606.JPG
不通电故障维修前  先测量个大电感对地阻。经过测量没有发现短路.
接上可调电源 待机电源0.007A
IMG_1609.JPG
接开关 电流上升至0.020左右马上掉到0.005 给 我第一感觉是欠压
QQ图片20140825142053.png
按照上电时序维修,在按开关后3V_AUX/5V_AUX/5V_AMP/5V_TV 都有正常产生
接下面测量AVDD_ON和S5_ON
S5_ON1.png
测量S5_ON在通电并按下开关后为3V
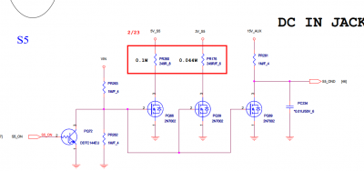
追查S5_ON开启的电压,S5_ON去到了39页
S5_ON.png
用来控制S5_OND的产生,按开关的同时测量S5_OND发现为0.35V (正常应该为15V_AUX电压)找到问题了
测量PR261的15V_AUX端为16V左右  正常   在线测量PR261阻值发现原本为1M 现在变为3.2M   更换一个1M欧电阻 再次测量 S5_OND电压为0.45还是不正常
IMG_1607.JPG
果断更换PQ69后 S5_OND电压为正常的16V左右   电流也一跑涮涮涮的到升到2A   修好了
IMG_1610.JPG
装机  接上屏幕   顺利亮机 此机维修结束。
IMG_1613.JPG


此机主板图纸下载:http://www.yqdnwx.com/thread-77814-1-1.html
您需要登录后才可以回帖 登录 | 立即注册

本版积分规则

QQ|Archiver|手机版|小黑屋|乐清九晨电脑维修 ( 浙ICP备14014299号|33038202002653号 )

浙公网安备 33038202002653号

GMT+8, 2025-11-17 22:00 , Processed in 0.078125 second(s), 31 queries .

Powered by Discuz! X3.5

© 2001-2025 Discuz! Team.

快速回复 返回顶部 返回列表